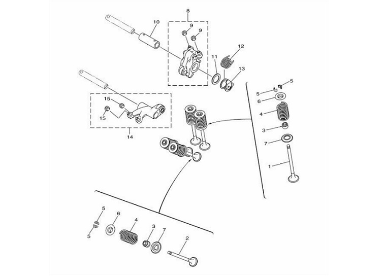
03 Valve

⚠️ We will be closed 11-17 April for Thai Buddhist New Year, There will be shipping delays for some orders during this period.

03 Valve