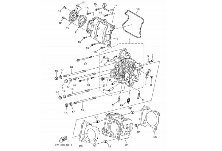
01 Cylinder

01 Cylinder
Filters
Set Descending Direction

23 Items

per page
View as Grid List
Filters
Set Descending Direction

23 Items

per page
View as Grid List